
Idee en analyse
Onze brede kennis en jarenlange technische ervaring vormen de basis voor een gestructureerde probleemanalyse, waarbij we gericht op zoek gaan naar de kern van het probleem of de juiste benadering van uw idee.
Dit betekend dat we op zoek gaan de kern van het probleem of de juiste aanpak van uw idee. Dit levert een gericht oplossing op, zonder in zonder symptomenbestrijding te vervallen. Dit is cruciaal voor een gerichte duurzame oplossing met gedefinieerde doelen , voor de volgende stap de engineering

Engineering
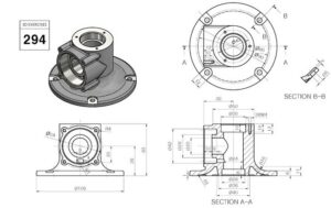
Vanuit de gekozen oplossing worden gedetailleerde 3D-ontwerpen en eventuele modellen opgesteld om het ontwerp visueel en technisch inzichtelijk te maken.
Waar nodig voeren we simulaties uit om processen te verifiëren en kunnen sterkteberekeningen worden toegevoegd voor extra onderbouwing.
In deze fase is het ook mogelijk om prototypes te bouwen, waarmee we aantonen dat de oplossing zowel technisch haalbaar als financieel verantwoord is.
Na validatie volgt de uitwerking richting uitvoering en fabricage.

Eindproduct
De ontwikkelde ontwerpen worden tot in detail uitgewerkt tot complete productietekeningen, voorzien van nauwkeurige maatvoeringen, toleranties, materiaalspecificaties en bewerkingsinstructies.
De bedachte ontwerpen worden tot in detail uitgewerkt tot productie tekeningen. Hiermee kan de uitvoering van een product, machine of installatie kan beginnen.